Смотреть проект
Проектировщикам
Все проекты
Паспорта приборов
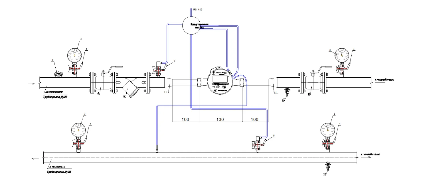
Типовые схемы для манометров
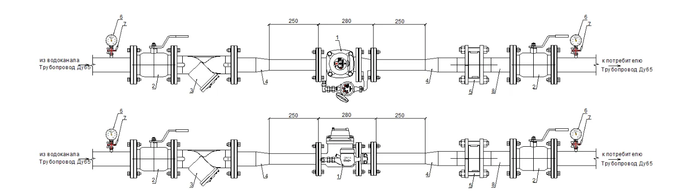
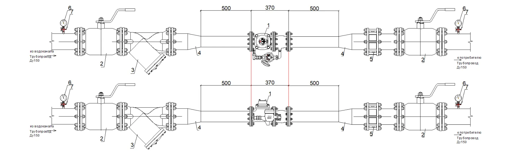
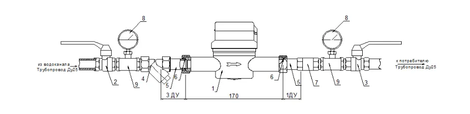
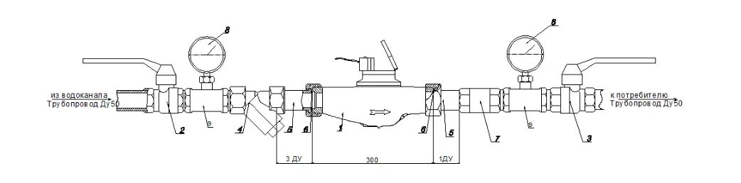
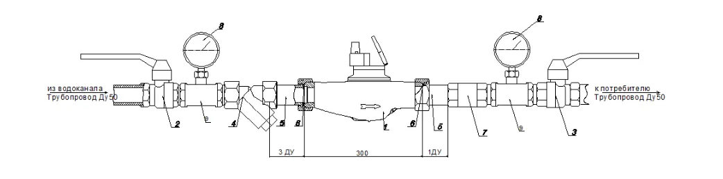
Типовые схемы для комбинированных счетчиков воды
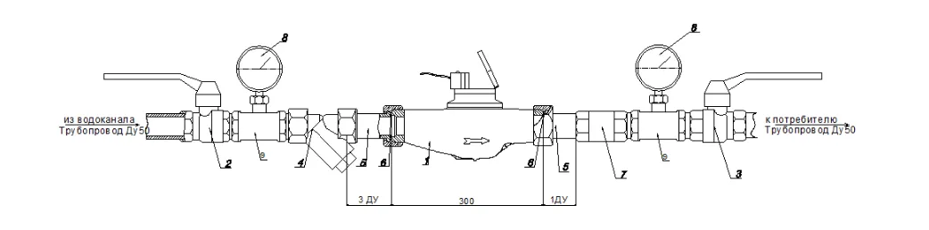
Типовые схемы счетчиков Decast
